1인기 검색어

Accuphase는 ‘정확함(Accurate)’과 ‘위상(Phase)’을 결합해 만들어졌으며, 대량 생산을 지양하고 정밀한 수작업과 고급 공정을 통해 완성도 높은 제품을 제작합니다.


Acuuphase는 유행을 따르기보다, 순도 높은 고음질 재현을 위해 꾸준히 연구와 개선을 거듭하며, 시간이 지나도 가치가 유지되는 오디오 제품을 선보이고 있습니다.

브랜드 철학

음악은 인생 여정 속에서 우리에게 상쾌함을 주는 오아시스와 같습니다.

Accuphase는 이러한 음악의 감동을 오디오 기술을 통해 구현하는 것을 목표로 삼고 있으며,

이를 대표하는 슬로건이 바로 “기술로 삶을 풍요롭게 (Enrich Life through Technology)”입니다.

Accuphase는 뛰어난 손기술과 장인 정신으로 완성된 제품을 제작하는 데 집중합니다.

브랜드명은 ‘정확함(Accurate)’과 오디오 기술에서 매우 중요한 ‘위상(Phase)’을 결합한 것으로,

정밀함과 위상 정합성을 중시한 설계 철학을 나타냅니다.

이를 위해 대량 생산을 배제하고 정밀 공정과 수작업 제작을 통해 제품의 품질과 가치를 극대화하며,

최고 수준의 하이파이 재생 능력을 실현하고자 끊임없이 기술을 다듬고 있습니다.

핵심 기술

MDSD (Multiple Double Speed DSD)

Accuphase의 MDSD(Multiple Double Speed DSD) 기술은 Super Audio CD(SA-CD) 재생 시 발생하는 고주파 노이즈를 한층 더 효과적으로 줄이기 위해 개발된 독자적인 설계입니다. DSD 신호의 장점은 그대로 살리면서, 인간의 청각 범위를 넘어서는 영역의 양자화 노이즈를 정교하게 제거하여 더욱 정숙하고 섬세한 음질을 제공합니다.

AAVA (Analog Vari-gain Amplifier)

Accuphase의 AAVA(Analog Vari-gain Amplifier)는 기존의 가변 저항 방식 볼륨 조절기를 완전히 대체한 혁신적인 프리앰프 회로 설계입니다. 신호 경로에서 볼륨 조절 소자를 제거하고, 증폭 이득 자체를 정밀하게 제어하는 방식으로 동작하기 때문에, 어떤 볼륨에서도 음질의 저하 없이 순도 높은 사운드를 유지할 수 있습니다.

DS-DC (Direct Synthesis - Double Cancellation)

Accuphase가 FM 튜너에서 채택한 소프트웨어 기반 복조 기술입니다. 이 방식은 기존 아날로그 방식과 달리, 디지털 알고리즘을 통해 FM 신호를 정밀하게 복조하며, 신호 내에 포함된 노이즈와 왜곡을 효과적으로 상쇄해 더욱 깨끗하고 정교한 FM 수신 음질을 실현합니다.

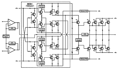
MCS (Multiple Circuit Summing-up)

여러 증폭 회로를 병렬로 연결해 S/N 비를 획기적으로 향상시키는 Accuphase의 독자 기술입니다. 동일한 신호를 동시에 처리해 잡음을 상쇄하고 순수한 음악 신호만을 남김으로써, 보다 정숙하고 투명한 사운드를 구현합니다.

MDS (Multiple Delta Sigma)

여러 개의 ΔΣ(델타 시그마) 변환 회로를 병렬로 사용하는 Accuphase의 혁신적인 D/A 변환 기술입니다. 이를 통해 THD(총 고조파 왜곡)와 S/N(신호 대 잡음비) 성능을 획기적으로 향상시키며, 더욱 정밀하고 순도 높은 디지털 음원 재생을 가능하게 합니다.

Products

브랜드 컨텐츠

하이파이클럽 향동 시청실

평일 : 10:00 ~ 19:00

주말 : 예약제 운영


문의 : 02-582-9847

(주)래안인더스트리   대표: 한창원(Han Chang-won)


경기도 고양시 덕양구 향기로 182, 현대테라타워향동 T-1410호

사업자등록번호: 220-86-86440

통신판매번호: 2025-고양덕양구-1163

개인정보관리책임: 강정식(hificlub6@hificlub.co.kr)


Copyrightⓒ 2000-2025 HIFICLUB All Rights Reserved